对售出的任何一台激光器都将实施完善的售后服务及终生有偿维修保养,这是我们给您的保障,了却您的后顾之忧。
提供激光器知识及常见问题
自公司成立以来,无数次的拼搏与创新,无数次的改革与发展,奠定了鑫锐人踏实奋进,严谨务实的服务宗旨,“以客户利益为中心”的企业理念始终烙印在鑫锐人的内心深处...
了解鑫锐发展历程
战略目标—引领中国激光产业走向世界
鑫锐激光结合当今国际光学市场先进科技及丰富经验,为各类型企业提供最优质最全面的激光解决方案
请关注鑫锐最新动态,及时了解最新产品
请关注鑫锐公司新闻,及时了解最新发展状况
请关注鑫锐行业资讯,及时了解最新行业资讯
请关注鑫锐媒体聚焦,及时了解最新媒体聚焦
我们为员工提供在行业内具有竞争性的薪酬待遇。
最新招聘信息
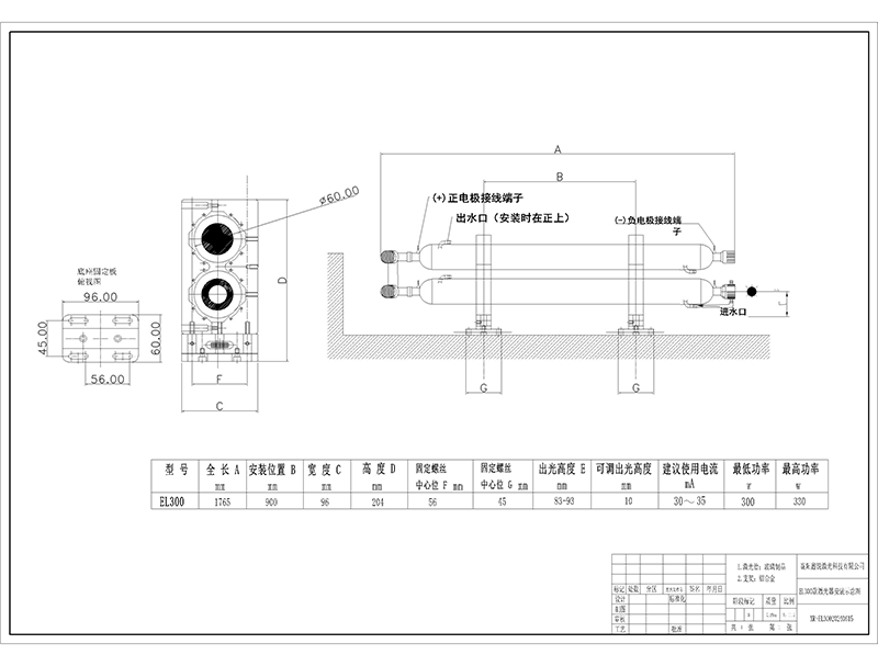
EL系列CO2 激光管